+86 13928884373

Video Kontaktieren Sie uns

Alle Kategorien

Industriegasbrenner

Startseite >  Produkte >  industrie-Brenner >  Industrie-Gasbrenner

Hochwertiger GTC Flammenbrenner für Erdgasheizung mit flacher Flamme, beliebt bei der Herstellung von Edelstahlkesseln mit Aluminiumgehäuse

Einsatz in Brennersystemen, industriellen Brennersystemen, Verbrennungsanlagen, Kesseln, Schmelzanlagen und Verbrennungsszenarien.

  • Überblick
  • Empfohlene Produkte

Einsatz in Brennersystemen, industriellen Brennersystemen, Verbrennungsanlagen, Kesseln, Schmelzanlagen und Verbrennungsszenarien.

35.jpg

1..png2..png

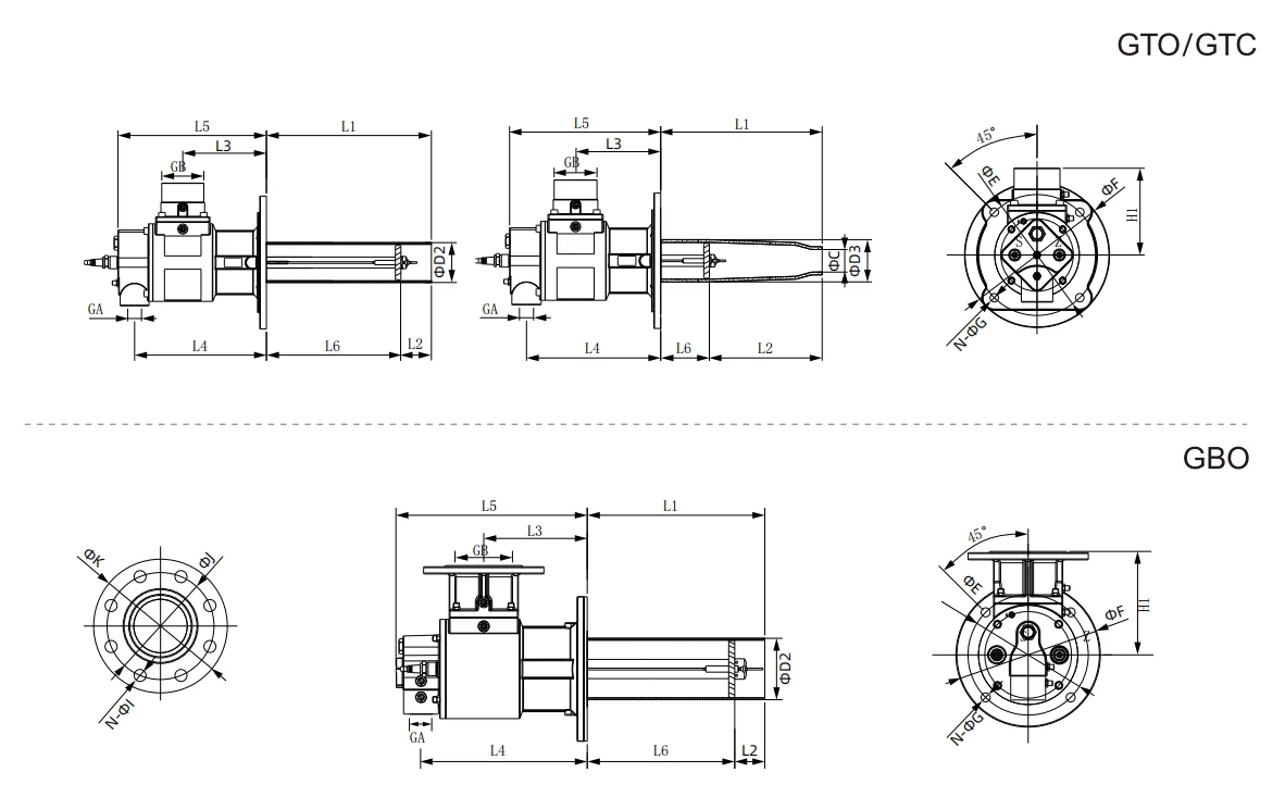
GTC/GTO Reihe
Düsenblock mit Düse ausgestattet, R-Typ Düsenkopf: Es gibt einen Neigungswinkel von 6" in dem Loch des Düsenblocks; H-Typ Düsenkopf: Das Loch
im Düsenblock ist ein Zylinder und die Länge des Inneren Loches beträgt dreimal den Innendurchmesser (3X d).
2. Wenn Sie einen Brennerdüsenkopf mit höherer Leistung benötigen, kontaktieren Sie uns bitte.
3. Der Durchmesser der Flamme beträgt im Allgemeinen 1-2 Mal den Durchmesser des Düsenrohr-Ausgangs oder des Brennerblocks.
Geeignet für Trocknungsausrüstung, Heißluftofen, Aluschmelzofen, Rollrohröfen, Tunnelöfen, Wagenöfen, Backöfen und andere Industrieöfen.
Wird in vielen Verbrennungswärmegeräten in Branchen wie Stahl, Wärmebehandlung, NE-Metalle, Schmieden, Glas, Keramik, Textilien und Lebensmittelverarbeitung weit verbreitet eingesetzt.
Brennstoffleistungsbereich 30-5000kW, mit gezwungener Luftzufuhr Gas brenner.
GT hat eine Aluminiumhülle, GB ist Gusseisenhülle, ZB ist eine geschweißte Stahlhülle.
Hitzebeständiger Stahlbrennrohr kann mit Brennerbacksteinen verwendet werden oder keramischer Siliciumcarbid-Brennrohr.
Flammentyp (wählbar): Langer Flamme, mittlere Flamme, kurze Flamme, flache flamme.
Spritzgeschwindigkeit: niedrige Geschwindigkeit, mittlere Geschwindigkeit, hohe Geschwindigkeit, bis zu 150m/s.
Anwendbare Gastype: Erdgas, flüssiggewordenes Gas, Koksgas, gemischtes Stadtgas, Gas mit niedrigem Heizwert und brennbarer Industrieabgas usw.
Weite Regelspanne, hohe Brenneffizienz, kein Rückbrennen und Flammaschlag.
Montagemethode: kann an der Decke oder auf der Seitenwand montiert werden.
Direkte Zündung wird für Leistungen bis 1000 kW verwendet.
Flammenüberwachung kann mit Ionen-Mikrosonde oder UV-Sensor durchgeführt werden.
4.png

1 (2).png

1 (1).png1 (2).png1 (3).png

35.jpg

1 (2).jpg

750_06750_07

Holen Sie sich ein kostenloses Angebot

Unser Vertreter wird Sie bald kontaktieren.
E-Mail
Mobil/WhatsApp
Name
Unternehmensname
Nachricht
0/1000